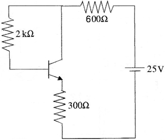
Assinale a alternativa que mais se aproxima da corrente do coletor no circuito abaixo, considerando a queda de tensão entre o coletor e a base igual à 0,7V e o ganho de corrente em emissor-comum do transistor igual à 50.

Assinale a alternativa que mais se aproxima da corrente do coletor no circuito abaixo, considerando a queda de tensão entre o coletor e a base igual à 0,7V e o ganho de corrente em emissor-comum do transistor igual à 50.
