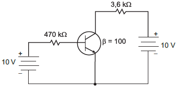
A figura abaixo ilustra um circuito com um transistor bipolar na configuração emissor comum, com um ganho de corrente igual a 100.

Com base nas informações apresentadas, analise as afirmativas a seguir.
I – A corrente na base é da ordem de \( \mu A. \)
II – A corrente no coletor é 100 vezes maior que a corrente na base.
III – A corrente no emissor é obtida subtraindo a corrente na base da corrente no coletor.
IV – A tensão entre o coletor e o emissor é obtida multiplicando a tensão de alimentação do coletor pela queda de tensão no resistor do coletor.
Estão corretas APENAS as afirmativas