- Instalações ElétricasSubestaçõesCustos, diagramas unifilares básicos, tipos de barramentos, sistemas auxiliares
Uma instalação elétrica predial de baixa tensão apresentou defeitos em alguns de seus circuitos terminais. Após a medição de tensão em alguns pontos dessa instalação, foram anotados os seguintes valores:

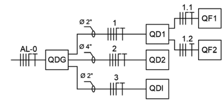
O diagrama unifilar da instalação é mostrado na figura a seguir:

O defeito apresentado na instalação é: