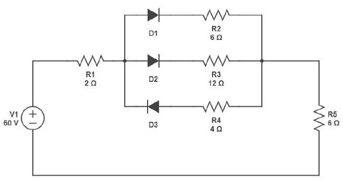
Em relação ao circuito de corrente contínua representado na figura a seguir, todos os diodos podem ser considerados como ideais.

Assinale a alternativa que apresenta, respectivamente, a tensão no resistor R3 em volts e a corrente no resistor R5 em amperes.