Magna Concursos
682573 Ano: 2014
Disciplina: Física
Banca: ENEM
Orgão: ENEM
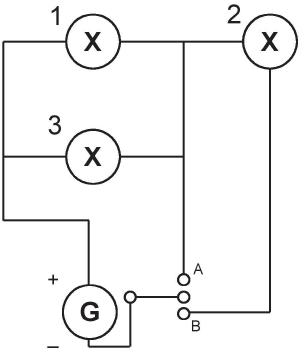
Um sistema de iluminação foi construído com um circuito de três lâmpadas iguais conectadas a um gerador (G) de tensão constante. Esse gerador possui uma chave que pode ser ligada nas posições A ou B.
Enunciado 682573-1
Considerando o funcionamento do circuito dado, a lâmpada 1 brilhará mais quando a chave estiver na posição
 

Provas

Questão presente nas seguintes provas