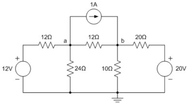
A figura abaixo apresenta um circuito resistivo, alimentado por fontes cc, duas fontes de tensão e uma de corrente. A tensão Vb, em volts, em cima do resistor de 10 ohms, é de aproximadamente:

A figura abaixo apresenta um circuito resistivo, alimentado por fontes cc, duas fontes de tensão e uma de corrente. A tensão Vb, em volts, em cima do resistor de 10 ohms, é de aproximadamente:
