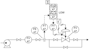
Considere o Esquema de uma Malha de Controle de Automação abaixo.

O diagrama da malha ilustrado na figura representa uma condição de controle de
Considere o Esquema de uma Malha de Controle de Automação abaixo.

O diagrama da malha ilustrado na figura representa uma condição de controle de