Magna Concursos
Questões
Planos
Entrar
Entrar
Criar Conta
Respondida
2276781
Ano:
2013
Disciplina:
Engenharia Elétrica
Banca:
AOCP
Orgão:
EBSERH
Provas:
Engenheiro Eletricista
Provas
×
Sistemas Elétricos de Potência
Distribuição de Energia Elétrica
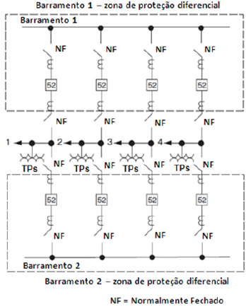
No que diz respeito aos arranjos de barramentos típicos, é
correto
afirmar que o arranjo da figura a seguir se refere ao
A
barramento duplo com disjunto e meio.
B
barramento em anel.
C
barramento duplo - um disjuntor.
D
barramento simples seccionado.
E
barramento duplo - disjuntor duplo
Resolver
Comentários
0
×
Cadernos
×
Flashcards
×
Estatísticas
×
Reportar um erro
×
Provas
Questão presente nas seguintes provas
Publicar
Responder
Qual o problema da questão?
Selecione uma opção
Questão Desatualizada
Questão Repetida
Gabarito Errado
Outros Motivos
Mensagem
Enviar
Acessar
Criar Conta
Acesse sua Conta
Google
Facebook
Esqueci minha senha
Acessar
Ainda não tem conta?
Crie uma
!
Crie uma Conta
Criar Conta
Olá, para continuar, precisamos criar uma conta!
É
rápido
e
grátis
.
Google
Facebook
Concordo com os
Termos de Uso
Criar
Já tem uma conta?
Acesse aqui