No lançamento estrutural, é conveniente dispor as vigas sob as paredes, para receberem sua carga. Entretanto,
essa solução nem sempre é possível, sendo adotado o apoio das paredes diretamente nas lajes. Nesse caso, a
ação proveniente das paredes deve ser considerada no cálculo das lajes, havendo, basicamente, duas situações,
descritas a seguir:
Situação 1 : cargas de paredes sobre lajes armadas em duas direções: considera-se que a ação da parede é distribuída uniformemente em toda a área da laje;
Situação 2 : cargas de paredes sobre lajes armadas em uma direção: nesse caso, há duas situações:
2.1 - Parede paralela ao menor vão da laje: considera-se, simplificadamente, a ação da parede distribuída em uma área de largura igual a (2/3).Lx;
2.2 - Parede perpendicular ao menor vão da laje: considera-se, nesse caso, a ação da parede como uma carga pontual na viga que representa a laje.
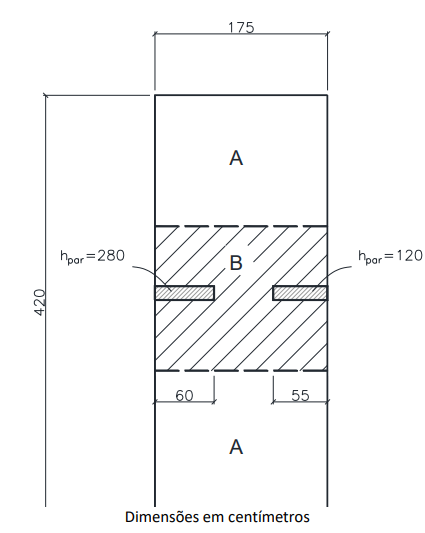
As paredes possuem 14 cm de largura e são feitas de um material com peso específico aparente igual a 13 kN/m³.
Considere que a laje indicada na figura, a seguir, é de concreto armado (γ=25 kN/m³), com altura de 10 cm e está sujeita a uma ação permanente adicional de 1,0 kN/m² e uma ação decorrente do uso, q, igual a 2,0 kN/m². Determine os valores das cargas características (p = g+q) a serem considerados para o cálculo da laje nas regiões A (p A ) e B (p B ), respectivamente:
Assinale a alternativa CORRETA :
Situação 1 : cargas de paredes sobre lajes armadas em duas direções: considera-se que a ação da parede é distribuída uniformemente em toda a área da laje;
Situação 2 : cargas de paredes sobre lajes armadas em uma direção: nesse caso, há duas situações:
2.1 - Parede paralela ao menor vão da laje: considera-se, simplificadamente, a ação da parede distribuída em uma área de largura igual a (2/3).Lx;
2.2 - Parede perpendicular ao menor vão da laje: considera-se, nesse caso, a ação da parede como uma carga pontual na viga que representa a laje.
As paredes possuem 14 cm de largura e são feitas de um material com peso específico aparente igual a 13 kN/m³.
Considere que a laje indicada na figura, a seguir, é de concreto armado (γ=25 kN/m³), com altura de 10 cm e está sujeita a uma ação permanente adicional de 1,0 kN/m² e uma ação decorrente do uso, q, igual a 2,0 kN/m². Determine os valores das cargas características (p = g+q) a serem considerados para o cálculo da laje nas regiões A (p A ) e B (p B ), respectivamente:
Assinale a alternativa CORRETA :