
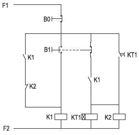
O circuito da figura acima é composto de duas contatoras K1 e K2, um relé de tempo KT1 (com tempo de ajuste do relé igual a 1 segundo), além dos botões de impulso B0 e B1.
Nesse circuito, tem-se que:

O circuito da figura acima é composto de duas contatoras K1 e K2, um relé de tempo KT1 (com tempo de ajuste do relé igual a 1 segundo), além dos botões de impulso B0 e B1.
Nesse circuito, tem-se que: