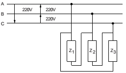
Considere o sistema trifásico a três fios representado abaixo, onde todas as impedâncias são iguais a 30 ∠ 60°Ω.

A potência em W do sistema é, aproximadamente,

A potência em W do sistema é, aproximadamente,
Provas
Questão presente nas seguintes provas