- Circuitos ElétricosCircuitos Resistivos, RL e RC, e RLC
- Circuitos ElétricosTeoremas: Superposição, Thévenin, Norton e Outros
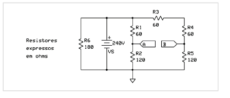
No circuito ao lado, os circuitos equivalentes de Thevenin e de Norton, do ponto de vista dos terminais A e B (considerando A em relação a B), podem ser descritos pelos parâmetros:
