Analise o circuito a seguir.

Assinale a opção que identifica corretamente o tipo de circuito acima representado e a corrente de salda (Io), respectivamente.
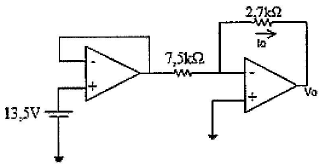
Analise o circuito a seguir.

Assinale a opção que identifica corretamente o tipo de circuito acima representado e a corrente de salda (Io), respectivamente.