Magna Concursos
Questões
Planos
Entrar
Entrar
Criar Conta
Respondida
273281
Ano:
2019
Disciplina:
Engenharia Elétrica
Banca:
FEPESE
Orgão:
CELESC
Provas:
Engenheiro - Produção Elétrica
Provas
×
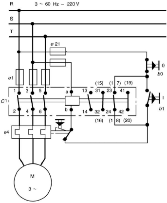
A figura abaixo mostra o diagrama de um motor M sendo ligado a partir de uma rede trifásica.
Fonte: Adaptado de CREDER, Hélio; Instalações Elétricas.
– Rio de Janeiro: LTC, 2016
Assinale a alternativa
correta
.
A
A chave de partida utilizada é a estrela-triângulo.
B
O diagrama é utilizado para fazer a reversão da rotação do motor
C
Os contatos 13, 14, 23 e 24 representam os contatos auxiliares normalmente fechados da contatora C1.
D
Os contatos 23 e 24 estão realizando o intertravamento do botão b1.
E
O dispositivo contra sobrecarga e4 não abre os seus terminais principais durante uma condição de sobrecarga; somente abrirá o seu terminal auxiliar.
Resolver
Comentários
0
×
Cadernos
×
Flashcards
×
Estatísticas
×
Reportar um erro
×
Provas
Questão presente nas seguintes provas
Engenheiro - Produção Elétrica
60 Questões
Resolver Prova
Publicar
Responder
Qual o problema da questão?
Selecione uma opção
Questão Desatualizada
Questão Repetida
Gabarito Errado
Outros Motivos
Mensagem
Enviar
Acessar
Criar Conta
Acesse sua Conta
Google
Facebook
Esqueci minha senha
Acessar
Ainda não tem conta?
Crie uma
!
Crie uma Conta
Criar Conta
Olá, para continuar, precisamos criar uma conta!
É
rápido
e
grátis
.
Google
Facebook
Concordo com os
Termos de Uso
Criar
Já tem uma conta?
Acesse aqui