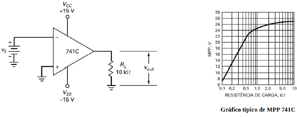
O amplificador operacional 741C (a letra C significa “classe comercial”) é o mais barato e mais usado. Ele tem um ganho de tensão em malha aberta de 100.000, uma impedância de entrada de 2 MΩ e uma impedância de saída de 75 Ω. Utilizando o gráfico típico de MPP (valor máximo pico a pico da saída que pode ser produzido pelo amplificador sem que ocorra o ceifamento do sinal) disponibilizado, qual o valor da tensão na entrada inversora, que leva a saída à saturação negativa do circuito abaixo?
