Magna Concursos
939374 Ano: 2019
Disciplina: Engenharia Elétrica
Banca: UFPR
Orgão: Pref. Curitiba-PR
Provas:

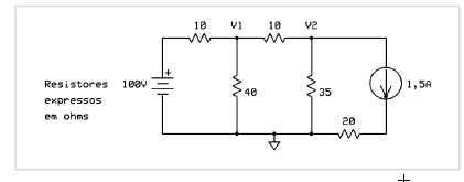
O valor da SOMA das tensões nodais V1 e V2 é de:

enunciado 939374-1

 

Provas

Questão presente nas seguintes provas

Engenheiro Eletricista

40 Questões