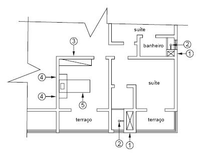
Atenção: Para responder às questões de números 23 e 24, considere a planta do pavimento abaixo.

Os elementos 3 , 4 e 5 representam, respectivamente,
Provas
Questão presente nas seguintes provas
Atenção: Para responder às questões de números 23 e 24, considere a planta do pavimento abaixo.

Os elementos 3 , 4 e 5 representam, respectivamente,