3232918
Ano: 2015
Disciplina: TI - Organização e Arquitetura dos Computadores
Banca: UFRN
Orgão: UFERSA
Disciplina: TI - Organização e Arquitetura dos Computadores
Banca: UFRN
Orgão: UFERSA
Provas:
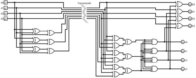
Analise o circuito combinacional a seguir.

Esse circuito contém um codificador e um decodificador de hamming que permite a detecção e correção de erros de transmissão de dados. Considerando os valores lógicos d0=0, d1=1, d2=0 e d3=1, e que a transmissão sofreu uma mudança de valor lógico na linha d1-D1, passando para 0 o valor lógico de saída da transmissão nessa linha, os valores dos sinalizadores s0, s1, s2 e s3 são, respectivamente