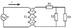
O transformador ideal T1 tem 330 espiras em seu enrolamento primário e 18 espiras no secundário. No primário está ligada uma fonte de tensão alternada V de 220 V.

No secundário, são ligados os resistores R1, R2 e R3, conforme o esquema ao lado. Cada um dos resistores tem resistência elétrica constante de 40 !$ \Omega !$. Assim, a corrente i, que circula no enrolamento primário do transformador, é igual a