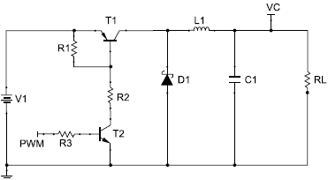
A topologia, ou arranjo típico de componentes, para uma fonte de alimentação chaveada regulada é mostrada na figura a seguir. Sabe-se que V1 é a tensão externa de alimentação, RL é a carga que será alimentada pela fonte, VC é a medida da tensão instantânea aplicada à carga, e PWM o sinal que controla o disparo do transistor T2 e T1.

Sobre esse circuito é correto afirmar que se trata de uma fonte tipo
Provas
Questão presente nas seguintes provas
Técnico em Equipamentos Médico-Odontológicos
40 Questões