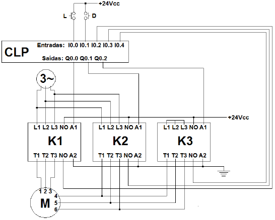
O diagrama de força mostrado abaixo representa a partida de um motor trifásico via Controlador Lógico Programável.

O tipo de partida que o diagrama de força foi projetado para realizar é:
Provas
Questão presente nas seguintes provas
Técnico de Eletrotécnica
70 Questões
Técnico de Laboratório - Eletrônica
70 Questões