
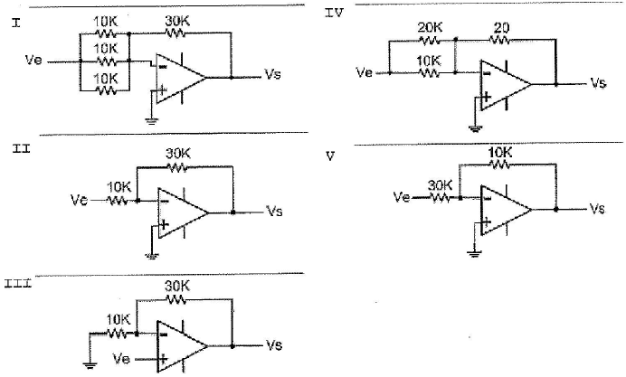
Dois dos circuitos abaixo fornecem o mesmo ganho de tensão e a mesma relação de fase entre o sinal de entrada e o sinal de saída. Quais são os circuitos?
Provas
Questão presente nas seguintes provas

Dois dos circuitos abaixo fornecem o mesmo ganho de tensão e a mesma relação de fase entre o sinal de entrada e o sinal de saída. Quais são os circuitos?