Considere o conversor D-A mostrado na figura a seguir, em que ±Vcc = ± 20 V:

Para a configuração apresentada, com a palavra digital de entrada correspondente à seleção das chaves (0b10011), a tensão de saída do conversor D-A (Vsaída) é igual a:
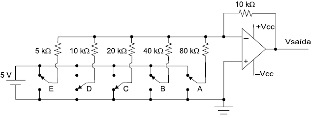
Considere o conversor D-A mostrado na figura a seguir, em que ±Vcc = ± 20 V:

Para a configuração apresentada, com a palavra digital de entrada correspondente à seleção das chaves (0b10011), a tensão de saída do conversor D-A (Vsaída) é igual a: