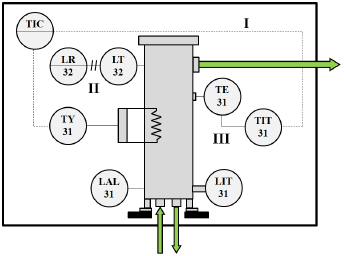
Considere a planta de controle de processos a seguir, utilizada para aquecimento de líquidos em tanque.
Analise os sinais de interface dos controladores, transmissores, elementos primários e registradores.

As conexões I, II e III são, respectivamente