Magna Concursos
2387627 Ano: 2009
Disciplina: Engenharia Eletrônica
Banca: Marinha
Orgão: Marinha

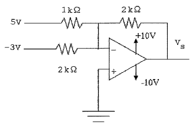
Apresenta-se o circuito a seguir.

Enunciado 3399133-1

Qual o valor da tensão de saída, Vs, no circuito da figura acima?

 

Provas

Questão presente nas seguintes provas

Corpo Auxiliar de Praças - Eletrônica

50 Questões