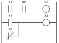
Analise o diagrama LADDER apresentado a seguir.

A respeito da figura acima, analise as afirmativas a seguir.
I. A saída Y2 somente estará acionada se as entradas X1 e X2 estiverem acionadas.
II. Se a entrada X1 não estiver acionada, a saída Y1 também não estará acionada.
III. A saída Y2 não estará acionada se a entrada X3 estiver acionada.
Está correto o que se afirma em: