Magna Concursos
893461 Ano: 2014
Disciplina: Engenharia Civil
Banca: FCC
Orgão: TCE-GO

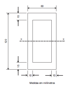
Em uma estrutura metálica utilizou-se o perfil vazado, conforme figura abaixo.

enunciado 893461-1

Para a determinação das tensões na flexão necessita-se do momento de inércia do perfil vazado cujo valor, em cm4, em torno do eixo X − X, é

 

Provas

Questão presente nas seguintes provas

Analista de Controle Externo - Engenharia

100 Questões