Magna Concursos
Questões
Planos
Entrar
Entrar
Criar Conta
Respondida
2237590
Ano:
2015
Disciplina:
Engenharia Eletrônica
Banca:
UFMG
Orgão:
UFMG
Provas:
Técnico de Eletrotécnica
Provas
×
Circuitos de excitação senoidal, fasores em c.a., impedância e tensão eficaz
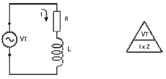
A carga ”Z” constituída por um resistor “R” em série com um indutor “L” é ligada a uma fonte de tensão “vt” e frequência “f” constantes. Ao instalar um capacitor “C” em paralelo com essa carga”Z”, é
INCORRETO
afirmar que
A
o circuito entrará em ressonância, qualquer que seja o valor de “C”.
B
o fator de potência aumentará.
C
a corrente na carga Z não irá se alterar.
D
a tensão na carga Z não irá se alterar.
Resolver
Comentários
0
×
Cadernos
×
Flashcards
×
Estatísticas
×
Reportar um erro
×
Provas
Questão presente nas seguintes provas
Técnico de Eletrotécnica
45 Questões
Resolver Prova
Publicar
Responder
Qual o problema da questão?
Selecione uma opção
Questão Desatualizada
Questão Repetida
Gabarito Errado
Outros Motivos
Mensagem
Enviar
Acessar
Criar Conta
Acesse sua Conta
Google
Facebook
Esqueci minha senha
Acessar
Ainda não tem conta?
Crie uma
!
Crie uma Conta
Criar Conta
Olá, para continuar, precisamos criar uma conta!
É
rápido
e
grátis
.
Google
Facebook
Concordo com os
Termos de Uso
Criar
Já tem uma conta?
Acesse aqui