Magna Concursos
3489234 Ano: 2024
Disciplina: Engenharia Elétrica
Banca: VUNESP
Orgão: UNICAMP

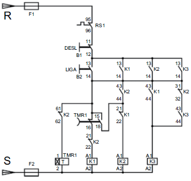
Considere o seguinte circuito de comando elétrico.

Enunciado 4043729-1

Trata-se do circuito de comando de uma chave de partida

 

Provas

Questão presente nas seguintes provas

Eletricista de Instalações

50 Questões