2097071
Ano: 2021
Disciplina: Engenharia Elétrica
Banca: IBFC
Orgão: Pref. São Gonçalo Amarante-RN
Disciplina: Engenharia Elétrica
Banca: IBFC
Orgão: Pref. São Gonçalo Amarante-RN
Provas:
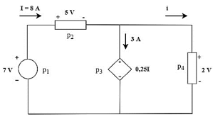
Sobre o circuito abaixo, assinale a alternativa
incorreta.

