A figura abaixo mostra um circuito regulador de tensão com um amplificador operacional ideal.

O valor da tensão Vo na saída do circuito é de
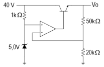
A figura abaixo mostra um circuito regulador de tensão com um amplificador operacional ideal.

O valor da tensão Vo na saída do circuito é de