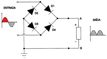
O diagrama da figura representa a configuração da retificação de onda completa em ponte:

No primeiro semiciclo destacado, considerando a tensão positiva no terminal de entrada superior, assinale a alternativa correta em relação à situação da corrente nos diodos.
I. D1 – anodo positivo em relação ao catodo: Bloqueio.
II. D2 – catodo positivo em relação ao anodo: Condução.
III. D3 – catodo negativo em relação ao anodo: Condução.
IV. D4 – anodo negativo em relação ao catodo: Bloqueio.
Está correto o que se afirma apenas em