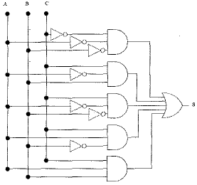
Analise o circuito a seguir.

O circuito digital acima apresenta saída S para as entradas de sinais binários A, B e C.
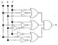
Assinale a opção que corresponde ao circuito digital que apresenta a saída S para as mesmas entradas A, B e C.
Provas
Questão presente nas seguintes provas
Corpo Auxiliar de Praças - Telecomunicações
50 Questões