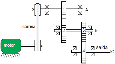
O sistema de transmissão da ilustração abaixo é acionado por um motor elétrico síncrono, com potência de 20 CV (~14,7kW) e rotação de 1750 rpm, para movimentar um maquinário para olaria que produz durante 24h/dia. A potência do motor é transmitida ao eixo 'A' por uma correia que conecta a polia 'a' (diâmetro 108 mm) à polia 'b' (diâmetro 270 mm). O eixo 'A' transmite a potência ao eixo 'B' pelo par de engrenamento 1 e 2 (28 e 40 dentes, respectivamente) que, por sua vez, transmite a potência ao eixo 'C' (saída) pelo par de engrenamento 3 e 4 (19 e 38 dentes, respectivamente). Considere a eficiência da transmissão por correia 0,97 sem haver escorregamento, a eficiência de cada par de engrenamento 0,94, os mancais como ideais e o valor constante π=3,14.

Quais são, respectivamente, os valores mais aproximados do torque (em N.m) e da rotação (em rpm) de saída no eixo C?
Assinale a alternativa que responde CORRETAMENTE à questão acima.