Magna Concursos
2503047 Ano: 2014
Disciplina: Engenharia Eletrônica
Banca: Marinha
Orgão: Marinha

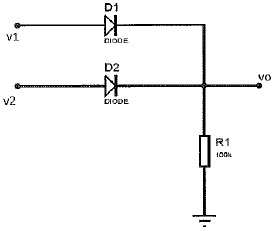
Observe a figura a seguir.

Enunciado 3558840-1

O circuito acima representa qual porta lógica digital?

 

Provas

Questão presente nas seguintes provas

Corpo Auxiliar de Praças - Eletrônica

50 Questões