
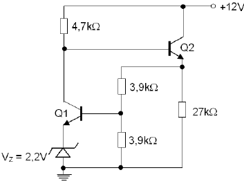
Sabe-se que o valor da tensão VBE de todos os transistores apresentados no circuito é igual a 0,6V. Sendo assim, o valor da tensão VCE do transistor Q1 é igual a

Sabe-se que o valor da tensão VBE de todos os transistores apresentados no circuito é igual a 0,6V. Sendo assim, o valor da tensão VCE do transistor Q1 é igual a