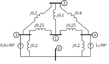
Considere a seguinte representação simplificada de um sistema elétrico de potência pequeno, através do seu diagrama de reatâncias.

Os subíndices que identificam as posições dos elementos da matriz de admitância nodal do sistema estão diretamente relacionados às barras (o elemento Ymn relaciona as barras m e n).
Adotando-se a barra 0 como referência, assinale a alternativa que indica corretamente Y11, Y22, Y34 e Y42 .