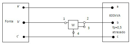
Uma carga trifásica equilibrada de 600 kVA e fator de potência fp=0,5 (60º) atrasado é alimentada por uma fonte conectada em estrela, com tensões trifásicas simétricas e em sequência positiva. A tensão eficaz de fase na saída da fonte é 4800 V. A impedância da linha entre a fonte e a carga é tão pequena que pode ser desprezada. Determine a leitura do wattímetro mostrado na figura abaixo.

