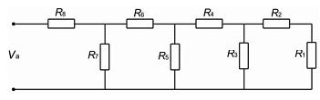
- EletromagnetismoElétricaCircuitos Elétricos Especiais: Leis de Kirchhoff e Ponte de Wheatstone
- EletromagnetismoElétricaEletricidade
Na questão , caso seja necessário, considere as seguintes informações.
1) As grandezas vetoriais estão representadas por letras em negrito. Por exemplo, a letra F (em negrito) indica o vetor força, enquanto a letra F (sem negrito) indica o módulo do vetor força.
2) As expressões trigonométricas estão abreviadas da seguinte forma:
seno = sen
cosseno = cos
tangente = tg
3) A aceleração da gravidade está representada por g = 10 m/s2.

Assinale a alternativa correta.