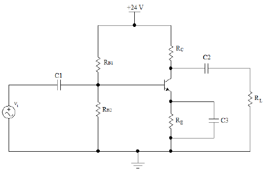
O pré-amplificador de um circuito de amplificação de áudio foi projetado usando-se um transistor NPN, conforme configuração exibida na figura abaixo. A corrente contínua !$ I_0 !$ foi medida no coletor e verificou-se um valor totalmente diferente daquele apresentado pelo projeto do equipamento !$ (I_0 = 10 mA) !$. Um técnico responsável, após analisar o circuito, verificou que os resistores presentes nos terminais de base e emissor do transistor estavam com valores errados.

Considerando que o transistor se caracterize com valores de !$ \beta = 100 !$ e !$ V_{BE} = 0,7 V !$, os valores dos resistores de emissor e base, em ohms, são respectivamente: