Magna Concursos
1296081 Ano: 2013
Disciplina: Engenharia Eletrônica
Banca: DIRENS Aeronáutica
Orgão: CIAAR

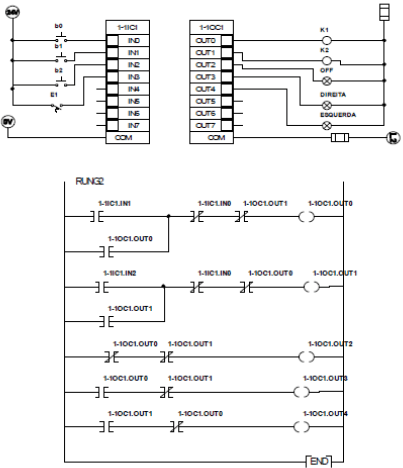
Analisando o diagrama Ladder e as conexões com os cartões do CLP, conclui-se que se refere à

Enunciado 1296081-1

 

Provas

Questão presente nas seguintes provas

EAOEAR - Engenharia Elétrica

60 Questões