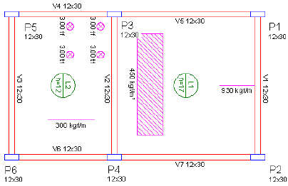
Você está atuando em uma obra que se encontra na fase de execução das estruturas, na etapa da confecção das fôrmas dos pilares e vigas. O setor de compras está no aguardo do envio do pedido de material para compra de madeira para ser utilizada na elaboração das fôrmas do Pavimento. De posse da planta de fôrma apresentada abaixo, calcule a quantidade total em metros quadrados de madeira necessária para confecção apenas dos pilares e das Vigas.
Adotar: Pé-direito de h= 2,80m
Comprimento das Vigas V1=V2=V3= 4,00m
Comprimento das Vigas V4=V6 = 2,60m
Comprimento das Vigas V5=V7 = 3,70m
Comprimento das Vigas V4=V6 = 2,60m
Comprimento das Vigas V5=V7 = 3,70m
