Magna Concursos
Questões
Planos
Entrar
Entrar
Criar Conta
Respondida
3199467
Ano:
2024
Disciplina:
Engenharia Mecânica
Banca:
CESPE / CEBRASPE
Orgão:
LNA
Provas:
Tecnologista - Fabricação Mecânica
Provas
×
Sistemas Mecânicos
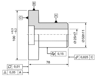
Peça 4A2-I
No desenho técnico a seguir, as dimensões da peça estão em milímetros.
Na peça 4A2-I, os símbolos
são tolerâncias geométricas de
A
posição, que se aplicam a elementos associados e definem um limite de 0,05 mm para a simetria entre as superfícies C e A e um limite de até 0,025 mm para a perpendicularidade entre a superfície indicada e a superfície C.
B
orientação, definindo um limite de 0,05 mm para a perpendicularidade entre as superfícies C e A e um limite de até 0,025 mm para o paralelismo entre a superfície indicada e a superfície C.
C
orientação, que se aplicam a elementos isolados e definem um limite de 0,05 mm para o paralelismo entre as superfícies C e A e um limite de até 0,025 mm para a perpendicularidade entre a superfície indicada e a superfície C.
D
posição, definindo um limite de 0,05 mm para a perpendicularidade entre as superfícies C e A e um limite de até 0,025 mm para a simetria entre a superfície indicada e a superfície C.
E
forma, definindo um limite de 0,05 mm para a retitude das superfícies C e A e um limite de até 0,025 mm para a planeza da superfície indicada e a da superfície C.
Resolver
Comentários
0
×
Cadernos
×
Flashcards
×
Estatísticas
×
Reportar um erro
×
Provas
Questão presente nas seguintes provas
Tecnologista - Fabricação Mecânica
50 Questões
Resolver Prova
Publicar
Responder
Qual o problema da questão?
Selecione uma opção
Questão Desatualizada
Questão Repetida
Gabarito Errado
Outros Motivos
Mensagem
Enviar
Acessar
Criar Conta
Acesse sua Conta
Google
Facebook
Esqueci minha senha
Acessar
Ainda não tem conta?
Crie uma
!
Crie uma Conta
Criar Conta
Olá, para continuar, precisamos criar uma conta!
É
rápido
e
grátis
.
Google
Facebook
Concordo com os
Termos de Uso
Criar
Já tem uma conta?
Acesse aqui