
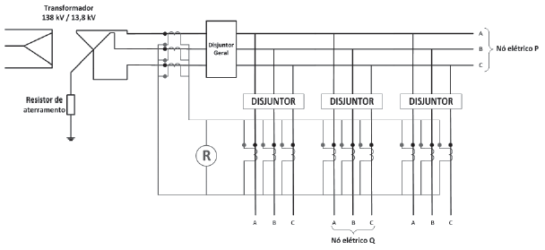
A figura acima ilustra a proteção diferencial de um barramento de 13,8 kV. Os TCs estão com as polaridades indicadas, e o relé R é um relé de sobrecorrente monofásico (F.87BN). O nó elétrico P está situado entre o disjuntor geral, e os disjuntores dos alimentadores, conforme indicado na figura. O nó elétrico Q está à jusante dos TCs do disjuntor de um dos alimentadores, conforme indicado na figura.
A esse respeito, considere as afirmativas abaixo.
I - Um curto-circuito fase-terra no nó elétrico P faz atuar a proteção através do acionamento do relé R.
II - Um curto-circuito fase-fase no nó elétrico P faz atuar a proteção através do acionamento do relé R.
III - Um curto-circuito fase-terra no nó elétrico Q faz atuar a proteção através do acionamento do relé R.
IV - Um curto-circuito fase-fase no nó elétrico Q faz atuar a proteção através do acionamento do relé R.
Está correto o que se afirma em