Com relação a aspectos de sistemas digitais, julgue os itens subseqüentes.
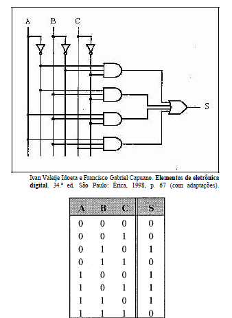
O circuito lógico mostrado na figura a seguir implementa a função lógica que executa a tabela verdade subseqüente.

Provas
Questão presente nas seguintes provas
Analista de Desenvolvimento Logístico - Automação
120 Questões