
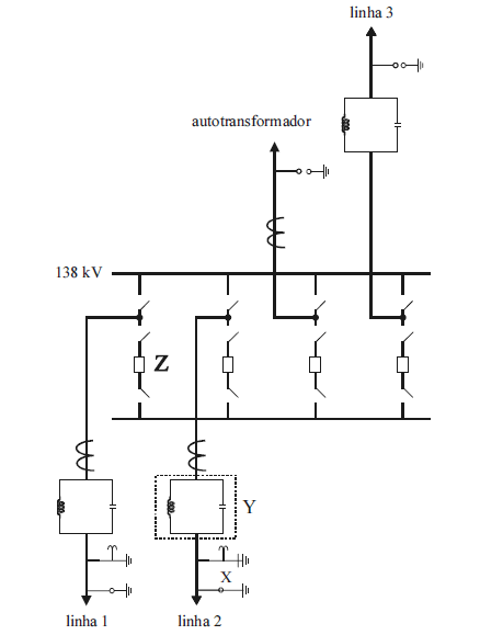
Com base no desenho acima, que mostra o diagrama unifilar da parte em 138 kV de uma subestação de transmissão cujas tensões são 230 kV e 138 kV, julgue as associações propostas nos itens subseqüentes, quanto à simbologia dos equipamentos indicados por X, Y e Z (o elemento Y corresponde à indicação interna do retângulo pontilhado).
Y – compensador estático de reativo
Provas
Questão presente nas seguintes provas
Assistente Técnico de Engenharia - Mecânico
100 Questões
Eletricista de Linha de Transmissão
150 Questões
Eletricista de Manutenção
100 Questões
Eletricista de Rede de Distribuição
150 Questões
Eletricista de Rede de Manutenção
100 Questões
Operador de Usina Hidrelétrica
150 Questões
Operador de Usina Termelétrica
100 Questões
Técnico de Contabilidade
100 Questões