3458132
Ano: 2022
Disciplina: Desenho Técnico e Industrial
Banca: IMAIS
Orgão: Pref. Santana Parnaíba-SP
Disciplina: Desenho Técnico e Industrial
Banca: IMAIS
Orgão: Pref. Santana Parnaíba-SP
Provas:
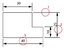
Analise o desenho abaixo para responder à questão.

Sobre os tipos de linhas, conforme a norma NBR 10126, aplicadas ao desenho, assinale a alternativa correta.