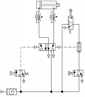
O circuito ilustrado abaixo é muito utilizado em máquinas nas indústrias, oficinas e laboratórios. De acordo com o esquema do circuito pneumático abaixo:

Em relação a esse esquema, é CORRETO afirmar que
O circuito ilustrado abaixo é muito utilizado em máquinas nas indústrias, oficinas e laboratórios. De acordo com o esquema do circuito pneumático abaixo:

Em relação a esse esquema, é CORRETO afirmar que