Magna Concursos
155288 Ano: 2018
Disciplina: Engenharia Eletrônica
Banca: CESGRANRIO
Orgão: Transpetro
Provas:
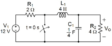
O circuito passivo representado na Figura abaixo apresenta valores normalizados para os seus componentes. Nesse circuito, a chave ideal tem estado aberta por bastante tempo, até que, em t = 0 s, ela é fechada instantaneamente.
Enunciado 155288-1
Assim, a transformada de Laplace da tensão VO após o fechamento da chave é dada por:
 

Provas

Questão presente nas seguintes provas

Engenheiro Eletricista

70 Questões