Magna Concursos
1893618 Ano: 2018
Disciplina: Engenharia Elétrica
Banca: Instituto Acesso
Orgão: SEDUC-AM
Provas:
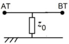
Um sistema elétrico de potência pode ser dividido em três etapas: Geração, Transmissão e Distribuição, são utilizados transformadores trifásicos e a Distribuição, são utilizados é transformadores trifásicos de potência. O objetivo dos transformadores é aumentar a tensão da Geração para fazer a Transmissão e depois a tensão da Transmissão para fazer a Distribuição. Os lados de baixa tensão (BT) e de alta tensão (AT) podem ser ligadas de diversas formas fazendo combinações entre as conexões Y e !$ Δ !$.
Considere um caso em que o lado BT está ligado em !$ Δ !$ e ao lado AT também está ligado em !$ Δ !$. Dada a impedância de sequencia zero do transformador !$ Z_0 !$ em p.u, o circuito equivalente de sequencia zero é dado por
 

Provas

Questão presente nas seguintes provas